PTFE-LINEDE RØR OG FITTINGS
Vi har et bredt udvalg af PTFE-linede rør og fittings til korrosive medier. Disse produkter, også kaldet CRP, er indvendigt korrosionsbeskyttet med forskellige typer flourplast for at kunne modstå aggressive medier.
Vi har et bredt udvalg af PTFE-linede rør og fittings til korrosive medier. Disse produkter, også kaldet CRP, er indvendigt korrosionsbeskyttet med forskellige typer flourplast for at kunne modstå aggressive medier.
18 produkt(er)
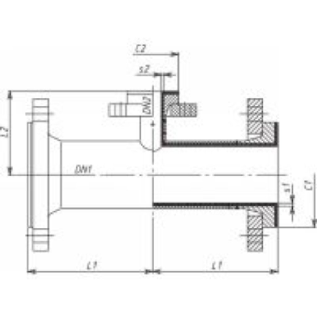
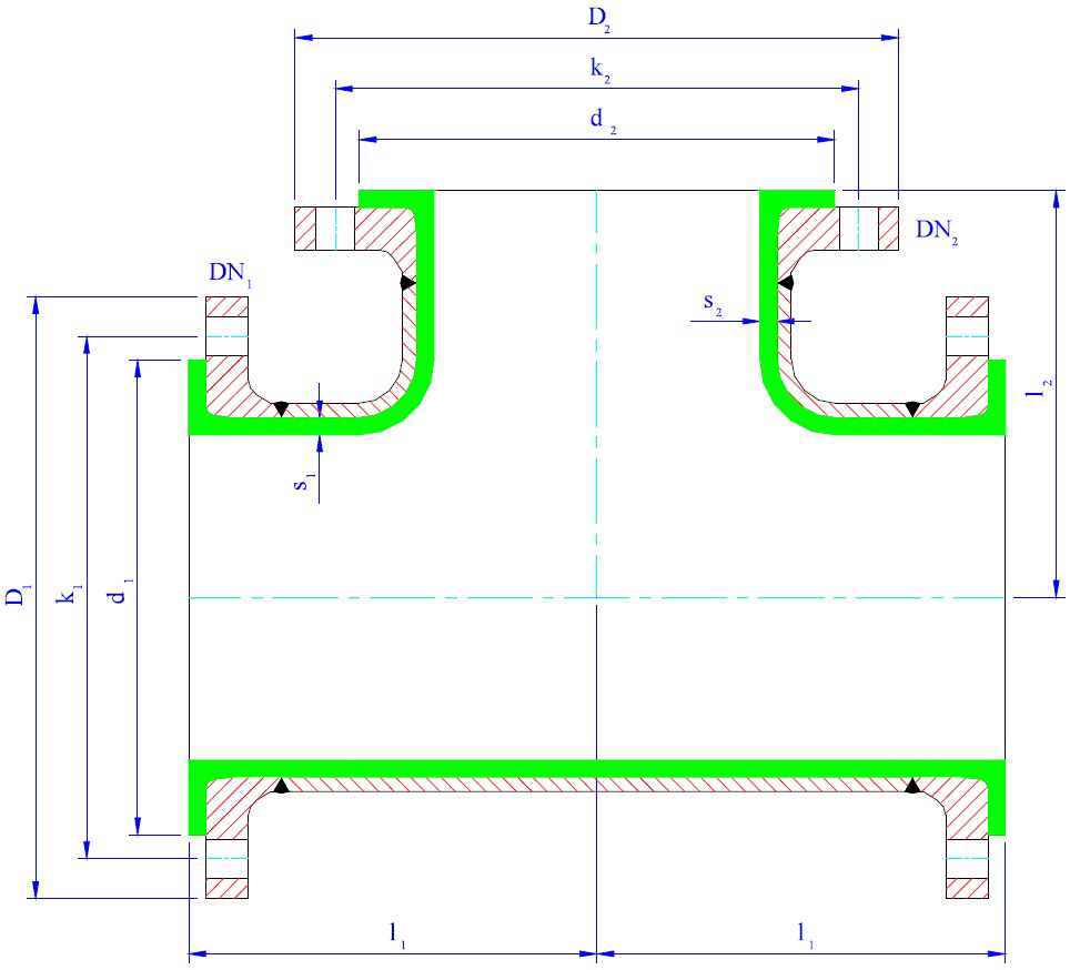
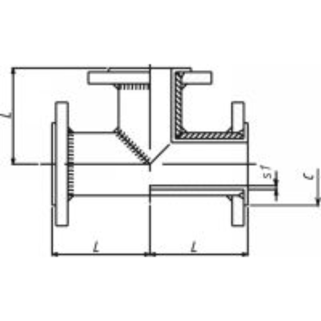
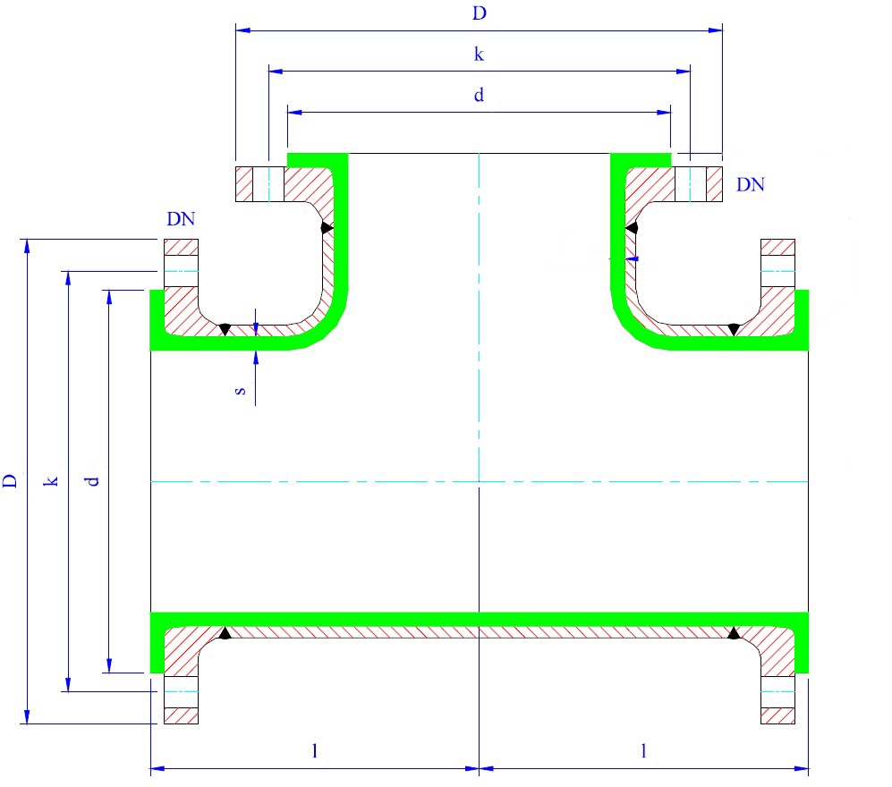
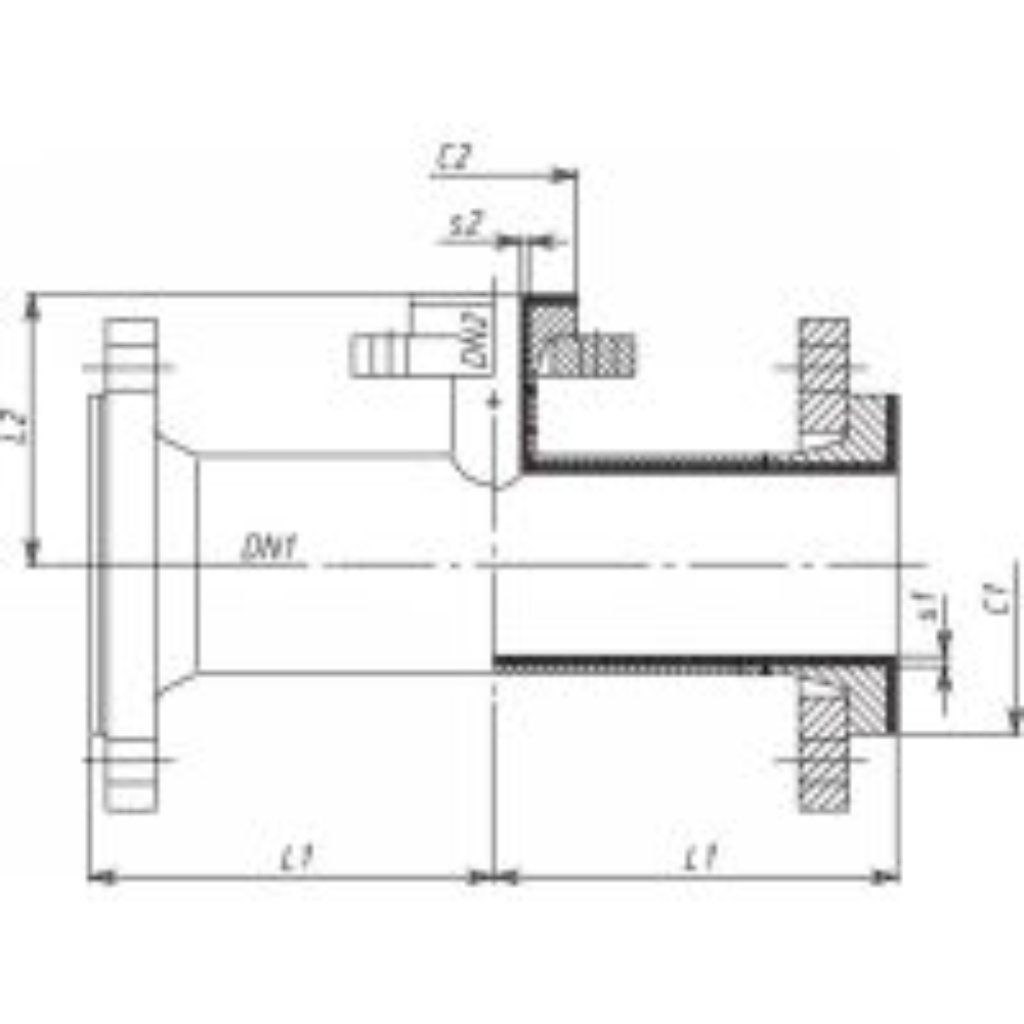
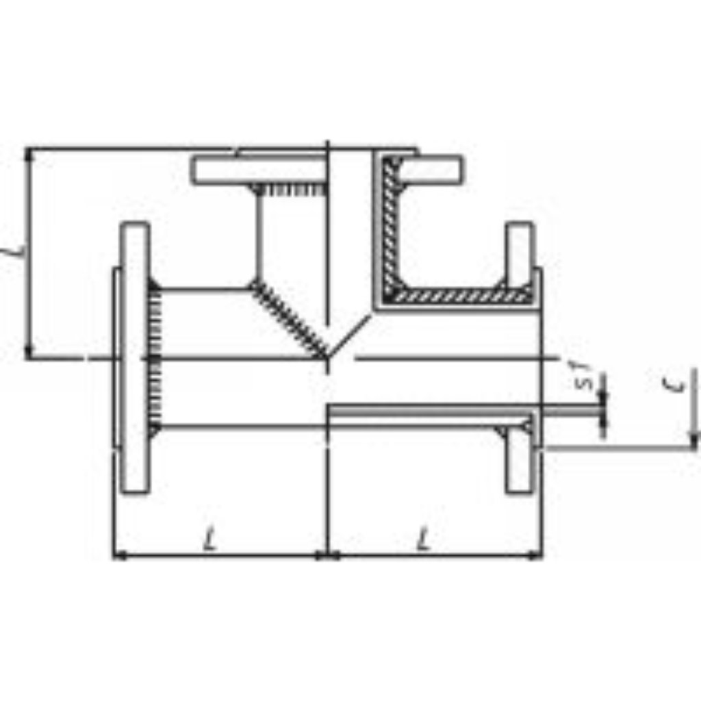
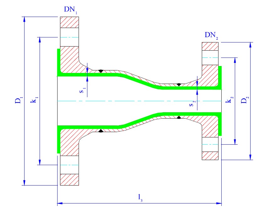
Vores CRP rør i rustfrit stål eller støbejern er linet med flourplast af typerne PTFE, FEP og PFA, som har meget høj kemisk resistent samt et stort temperaturinterval. Flourplast tåler høje temperaturer i kombination med høje tryk, hvilket gør det oplagt at anvende i aggressive miljøer.
Yderrøret i rustfrit stål eller epoxybelagt karbonstål, tilfører systemet gode mekaniske egenskaber. Typiske anvendelsesområder er kemiske applikationer, papirfabrikker, vandbehandling, procesindustri og medicinalindustri.
Størrelser, længder og forskellige beskyttelsesmalinger kan specialbestilles, så du får lige præcis de produkter, du har behov for.