K4OC/NC-E

CPVC Butterflyventil EPDM

  • C-PVC Butterflyventil
  • Pneumatisk aktuator - Normalt lukket / Fjeder retur (NC)
  • Til indspænding mellem flanger eller Lug version
  • Ventilhus i glasforstærket PP, UV-Stabilt
  • EPDM
  • Tilslutning luft: 1/4" Namur
  • Styretryk: Max. 8 Bar
  • Ventilklap i C-PVC
  • PN10
  • Lug version med indstøbte gevindbøsninger leveres på forespørgsel Topflange i henhold til ISO 5211
  • Kontroller frigang af klap i flangebøsningen inden montage
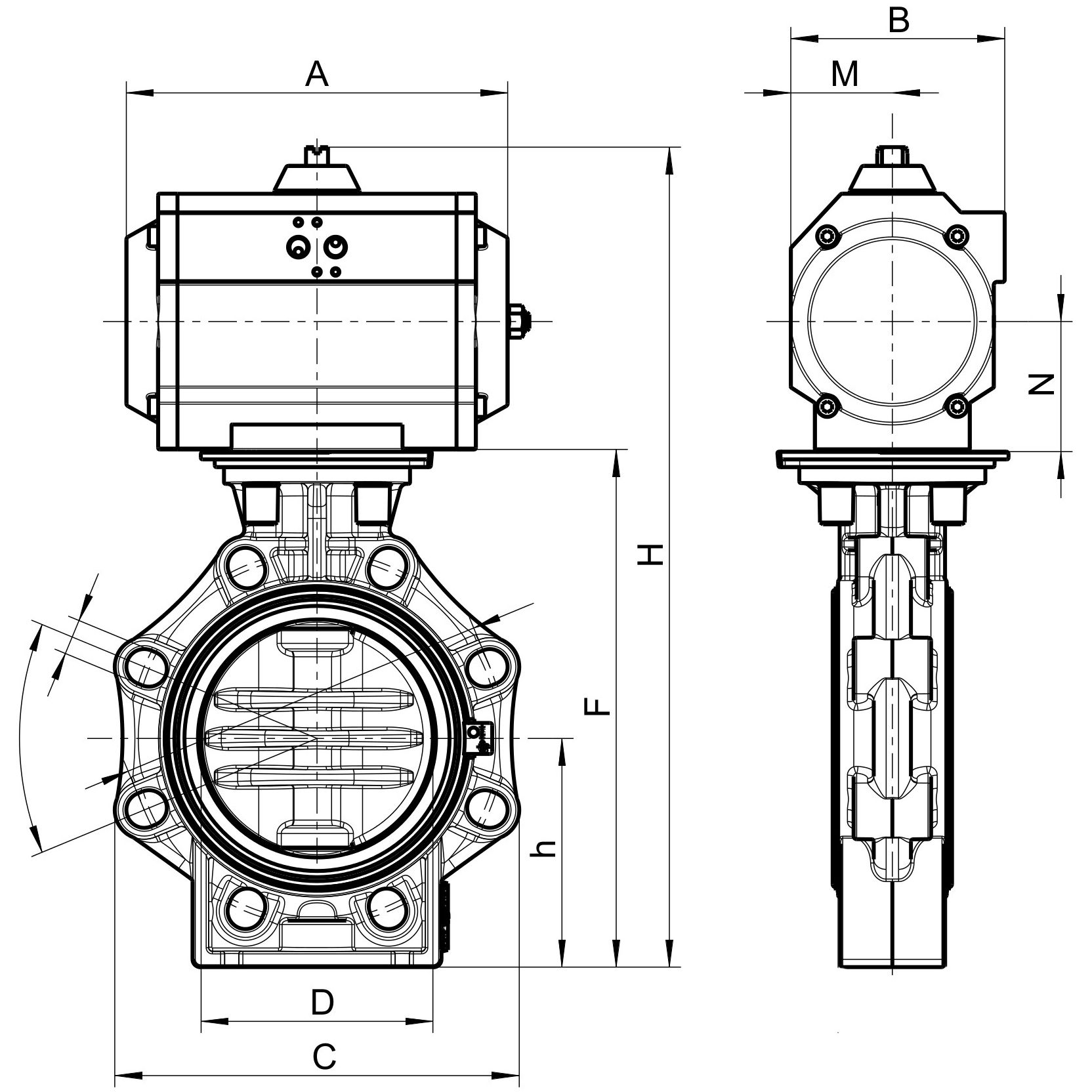
Vis alle mål +
Artikel nummer VVS-nummer DChFHAMBNDonFiler
K4OC/NC-E-075 75651002323793136812264PP20S
K4OC/NC-E-090 90801002393863136812264PP20S
K4OC/NC-E-110 1101001152694163136812264PP20S
Datablad

Tilbehør

H/K4-LS

Finjusteringshåndtag

H/K4

Håndtag