RBST

ECTFE reduktion

ECTFE reduktion Delbar
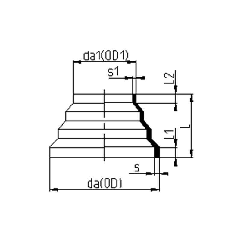
Vis alle mål +
Artikel nummer VVS-nummer da(OD)da1(OD1)ss1LL1L2Filer
RBST 063-016
RBST 110-063 110635,3365117
Datablad