Hjem / Produkter / Installationssystemer / Skinnesystemer / MPC/MPR-L-Beslag
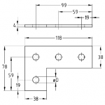
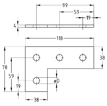
El-galvaniseret, Müpro
Ups! We kunne ikke finde din formular.
E-mailadresse
Kodeord
Husk mig