MPR-Fodbeslag 41/41-41/62 S+

El-galvaniseret, Müpro

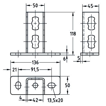
MPR-Fodbeslag S+, El-Galvaniseret. Egnet til profiler i 41/41 og 41/62
Vis alle mål +
Artikel nummer VVS-nummer ArtikelbeskrivelseFiler
MU-165822 MPR-Fodbeslag S+ 41/21-41/124, El-Galvaniseret CAD/Step
MU-165825 MPR-Fodbeslag S+ 41/21-41/124, El-Galvaniseret CAD/Step
MU-165823 MPR-Fodbeslag S+, til 41/82, El-galvaniseret CAD/Step