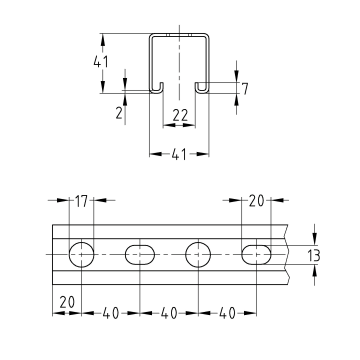
El-Galvaniseret montageskinne. Fås i 2/3/6 mtr. Ideel til rørinstallation - Forskellige monteringsmuligheder.
Hurtig og effektiv fastgørelse af rør og rørføringer
Høj bøjningsstivhed på grund af tværsnitsdesignet
Afmålingsmærker på siden og/eller på siden med slidsen forenkler justeringen af fastgørelseselementerne under installationen og gør det lettere at måle og afkorte på stedet -
Til sikker fastgørelse, der kan justeres sideværts og lodret
Til opsætning af strukturer med korrekt målte statiske belastninger ved hjælp af forskellige fastgørelses-komponenter
Et rent udseende opnås ved brug af MPR-beskyttelseskapper