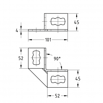
Hjem / Produkter / Installationssystemer / Skinnesystemer / MPR-Skinnevinkel 2+2 S+ VG
Varmgalvaniseret, Müpro
Ups! We kunne ikke finde din formular.
E-mailadresse
Kodeord
Husk mig