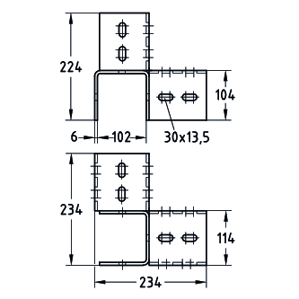
Hjem / Produkter / Installationssystemer / Skinnesystemer / MPT-3D-hjørnestik Q100
Varmgalvaniseret, Müpro
Ups! We kunne ikke finde din formular.
E-mailadresse
Kodeord
Husk mig