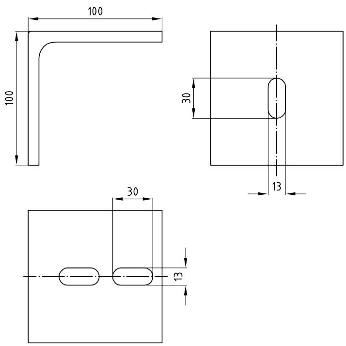
Til 90° montering af skinner. Kan monteres med både hammerhovedbolt og gennemgående bolt.
Varmgalvaniseret
MPT til skinnesystem
Godkendte monteringsvinkler i versionerne 90° og 90° light-duty model til hjørne- og vinkelforbindelser samt til afstivning i kombination med MPT-Support-profilerne Q50, Q80, Q100 og Q150
Stabilt og prisvenligt forbindelseselement til tilslutning af MPT-Support-profiler