Hjem / Produkter / Koblinger og Slanger / Instrumentkoblinger / ADFE
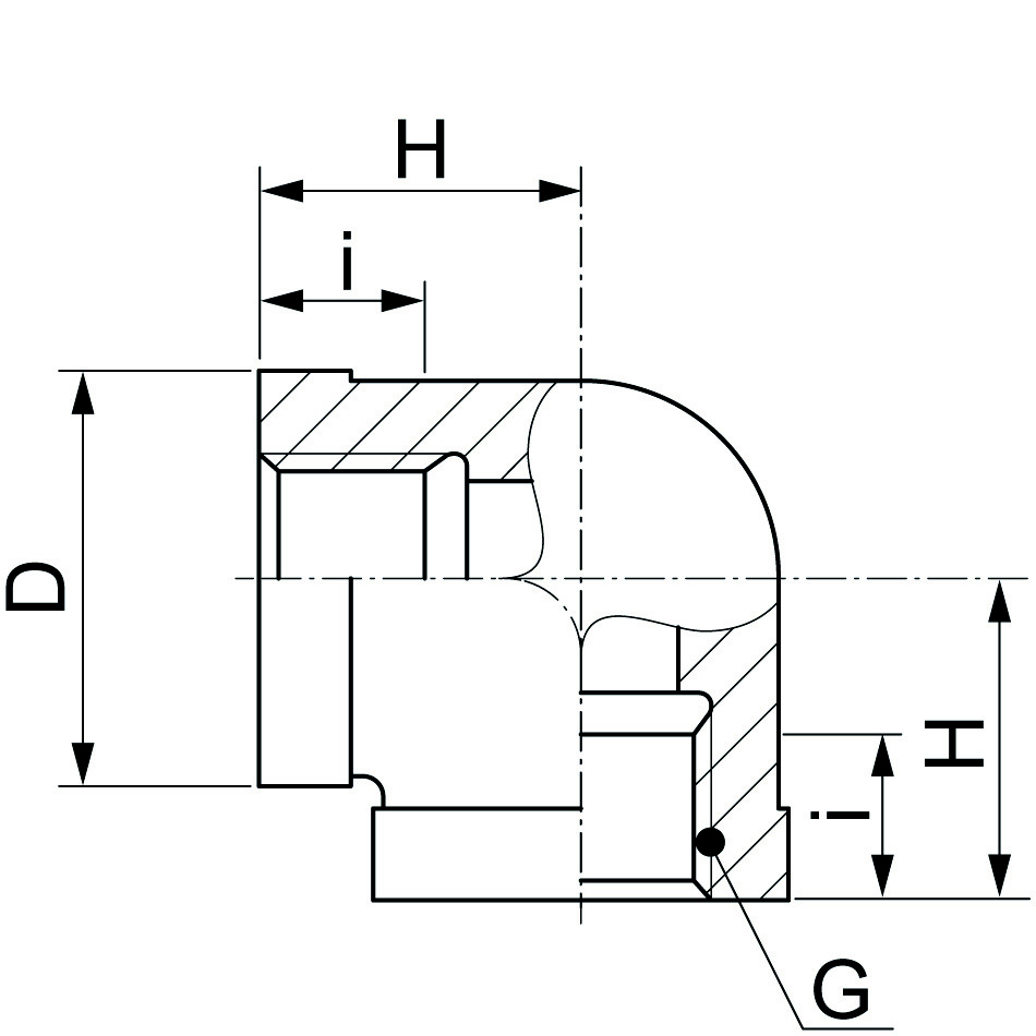
Syrefast Vinkel 90°, indv. gevind
Ups! We kunne ikke finde din formular.
E-mailadresse
Kodeord
Husk mig