SO 32721

PA fitting – Serto

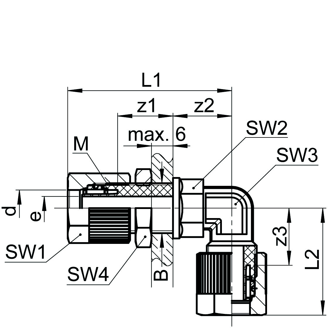
PA Vinkel 90° væg gennemføring
  • PA S kotforskruning
  • PA-vinkel 90°
  • Union til panelmontage
Vis alle mål +
Artikel nummer VVS-nummer dbareBMSW1/SW2SW3/SW4L1/L2z1/z2z3Filer
1682700060 6/4102.810.510 x 112/108/1440/2516/1314
1682700080 8/6104.812.512 x 114/1210/1743/26,515/1514.5
1682700100 10/8106.614.514 x 117/1412/1946/3015,5/16,516
1682700120 12/1010816.516 x 119/1713/1948,5/32,532,5/17,516
Datablad