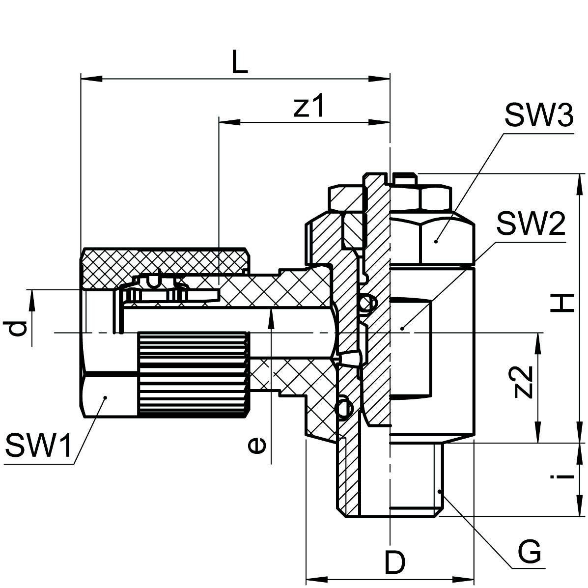
Hjem / Produkter / Koblinger og Slanger / Instrumentkoblinger / SO 37621
PA fitting – Serto
Ups! We kunne ikke finde din formular.
E-mailadresse
Kodeord
Husk mig