SO 41600

Messing Fitting – Serto

Messing Indstillingsnippel, udv.gevind
  • Indstillingsnippel
  • Messing
  • Udvendigt gevind
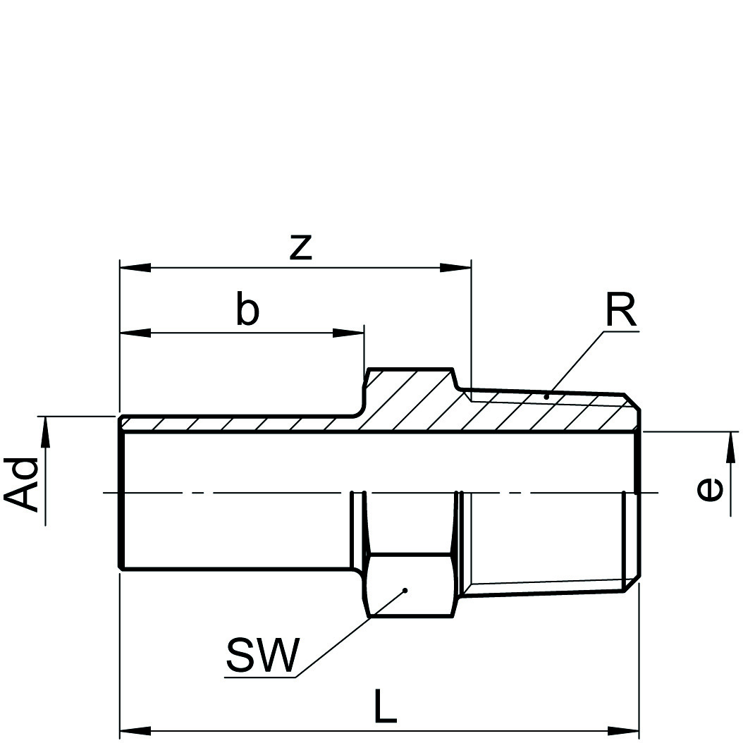
Vis alle mål +
Artikel nummer VVS-nummer RbarLzbeSWADFiler
0161601100 1/82502619.5134126
0161601110 1/42503121134146
0161601160 1/81502821.5146128
0161601170 1/41503222146148
0161601270 1/412534241681410
0161601280 3/812534241681710
0161601285 1/21253925.51682210
0161601380 1/410036261881412
0161601390 3/810036261891712
0161601400 1/21004127.51892212
0161601504 1/264443121112214
0161601532 3/86439292110.51715
Datablad