SO 50021-RED

Rustfri 316Ti Fitting – Serto

Syrefast Omløber, reduceret
  • Syrefast Omløber
  • R educer et
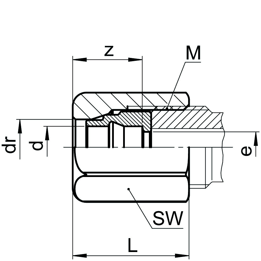
Vis alle mål +
Artikel nummer VVS-nummer drdbarLzMSWeFiler
0560214015 1.632501056 x 0,7581
0560214060 3525013.568 x 1102.5
0560214110 4620015.5810 x 1123.5
0560214117 5620015.5810 x 1124
0560214140 68200178.512 x 1144.5
0560214190 81016019.511.514 x 1176.5
0560214240 101216020.51216 x 1198.5
0560214420 1215100241420 x 1,52410
0560214440 1415100241420 x 1,52412
0560214610 15181002515.524 x 1,53013
0560214620 16181002515.524 x 1,53014
0560214755 182264281928 x 1,53216
0560214062 3.2525013.568 x 1102.5
0560214143 6.358200178.512 x 1144.5
0560214187 7.941016019.511.514 x 1176.5
0560214427 12.715100241420 x 1,52411
0560214435 13.515100241420 x 1,52412
0560214618 15.88181002515.524 x 1,53014
0560214632 17.2181002515.524 x 1,53015
0560214785 21.32264281928 x 1,53219.5
Datablad