SO 51300-RED

Rustfri 316Ti Fitting – Serto

Syrefast Forbindelsesnippel, reduceret
  • Syrefast Forbindelsesnippel
  • Reduc eret
  • AISI316Ti, 1.4571
Vis alle mål +
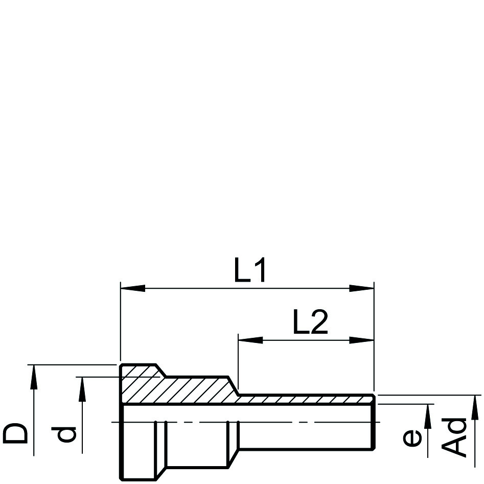
Artikel nummer VVS-nummer dADbarDeL1L2Filer
0561304140 8620010.542614
0561304175 10620012.742815
0561304190 10820012.762816
0561304215 12620014.742915
0561304225 12820014.762915
0561304240 121016014.773118
0561304410 15101601873519
0561304420 15121601893520
0561304480 181216022.493520
0561304620 181610022.4134131.5
0561304755 22186425.6154727.5
0561304900 28224032.7195536
Datablad