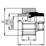
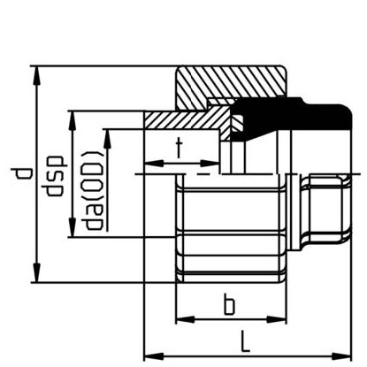
BIFGM-V

PP Union, indv. svejsning/gevind SDR11 PN10 FPM

  • PP Union
  • Fås med FPM O-ringe
  • Indvendig muffesvejsning
  • Indvendig gevind
  • SDR11 PN10
  • Større dimensioner ved forespørgsel
Vis alle mål +
Artikel nummer VVS-nummer d×RR1PNEZ1Z2HPakkestørrelseFiler
BIFGM-V-020-R015 1"10475.51650.580 CAD/Step
BIFGM-V-025-R020 11/4"10585.516.754.560 CAD/Step
BIFGM-V-032-R025 11/2"10655.516.959.540 CAD/Step
BIFGM-V-040-R032 2"10785.519.666.532 CAD/Step
BIFGM-V-050-R040 21/4"10855.523.673.524 CAD/Step
BIFGM-V-063-R050 23/4"101035.524.382.512 CAD/Step
Datablad