5F0114

PVDF Finreguleringsventil 90°

  • PVDF Finreguleringsventil 90 °
  • med gradueret skala
  • Indvendigt gevind
  • FPM o-ring
  • PN10
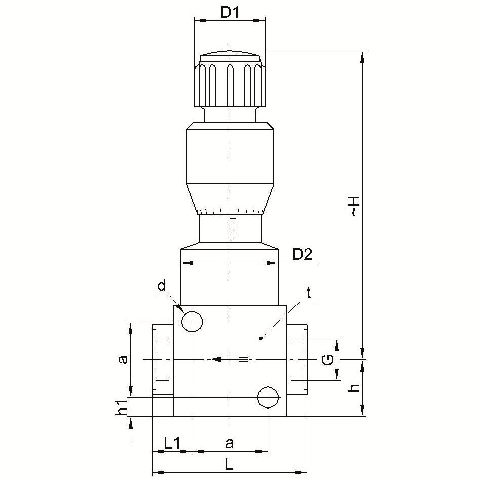
Vis alle mål +
Artikel nummer VVS-nummer GFlow vand l/hFiler
5F0114100-R08 1/4"1-30
5F0114200-R08 1/4"10-100
5F0114400-R15 1/2"50-500
Datablad