M1IF/CE

PVDF Kugleventil elektrisk aktuator

  • PVDF M1 Kugleventil 2-vejs
  • Med PVDF indlægsdele for indv. muffesvejsning
  • Elektrisk aktuator Type ER (IP65)
  • Standard: 230v/50Hz
  • Andre spændinger og tilslutninger eksempelvis: indvendigt gevind med 24VDC fås på forespørgsel.
  • Optioner: Batteribackup
  • Udstyret med Dual block, låsning af omløberen, samt mulighed for montering af identifikationsskilt
  • Faste sæde, en side kan demonteres under fuldt tryk.
  • Sædetætning i PTFE
  • PN16
  • E=EPDM
  • V=FPM
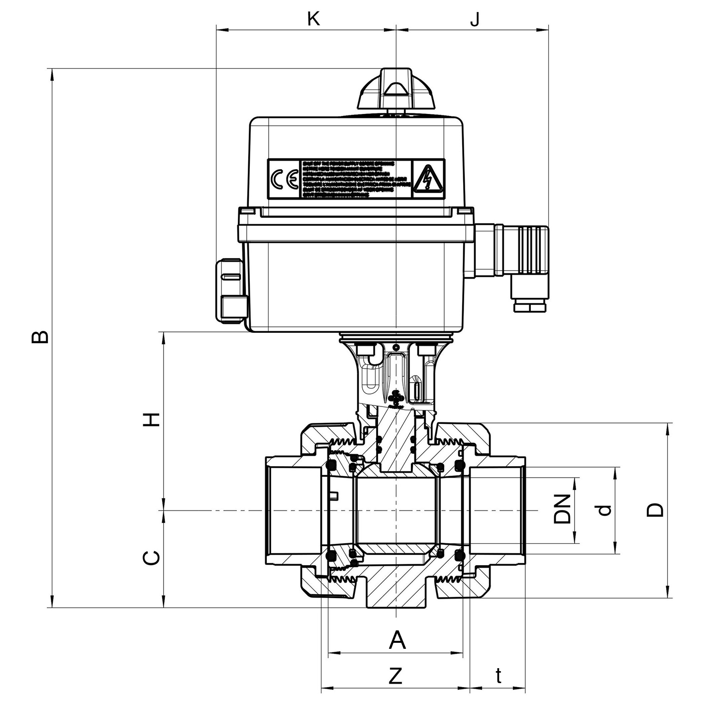
Vis alle mål +
Artikel nummer VVS-nummer dDNDZCHBKJDonFiler
M1IF/CE-V-016 161056.569.5338126610790ER10
M1IF/CE-V-020 201556.567338126610790ER10
M1IF/CE-V-025 252067784086.5278.510790ER10
M1IF/CE-V-032 322573.58443.589.528510790ER10
M1IF/CE-V-040 40329097519730010790ER10
M1IF/CE-V-050 5040105.511356.5104.531310790ER20
M1IF/CE-V-063 6350124.513664.5111.532810790ER20
M1IF/CE-V-075 7565157.5158.585138.540010798ER60
M1IF/CE-V-090 9080192.520510016844510798ER60
M1IF/CE-V-110 11080192.516310016844510798ER60
Datablad

Tilbehør

SE/M1

Spindelforlænger

FB/M1

Elektrisk tilbagemelder O/C til kugleventil M1

DP/M1

Distanceplade til panelmontage

SET/M1

Montagesæt til ventil M1

Q/M1IF

PVDF Indlægsdel for M1 Kugleventil med indv. muffesvejs

E/M1IF

PVDF Omløber for M1 Kugleventil