Hjem / Produkter / PVC-U / Rørsystem / PVC-U Fittings / 52
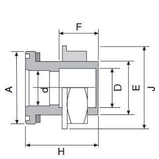
PVC-U Tankgennemføring
Ups! We kunne ikke finde din formular.
E-mailadresse
Kodeord
Husk mig