GINAIR

PE100-blue huv

  • PE100-vinkel (90°) utv. gänga i metall
Vis alle mål +
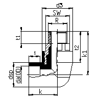
Artikel nummer VVS-nummer da(OD)Pakkestørrelset1d3kK1SWRdsptFiler
GINAIR-020-R015 20100163818.6367321/2"3016 CAD/Step
Datablad