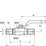
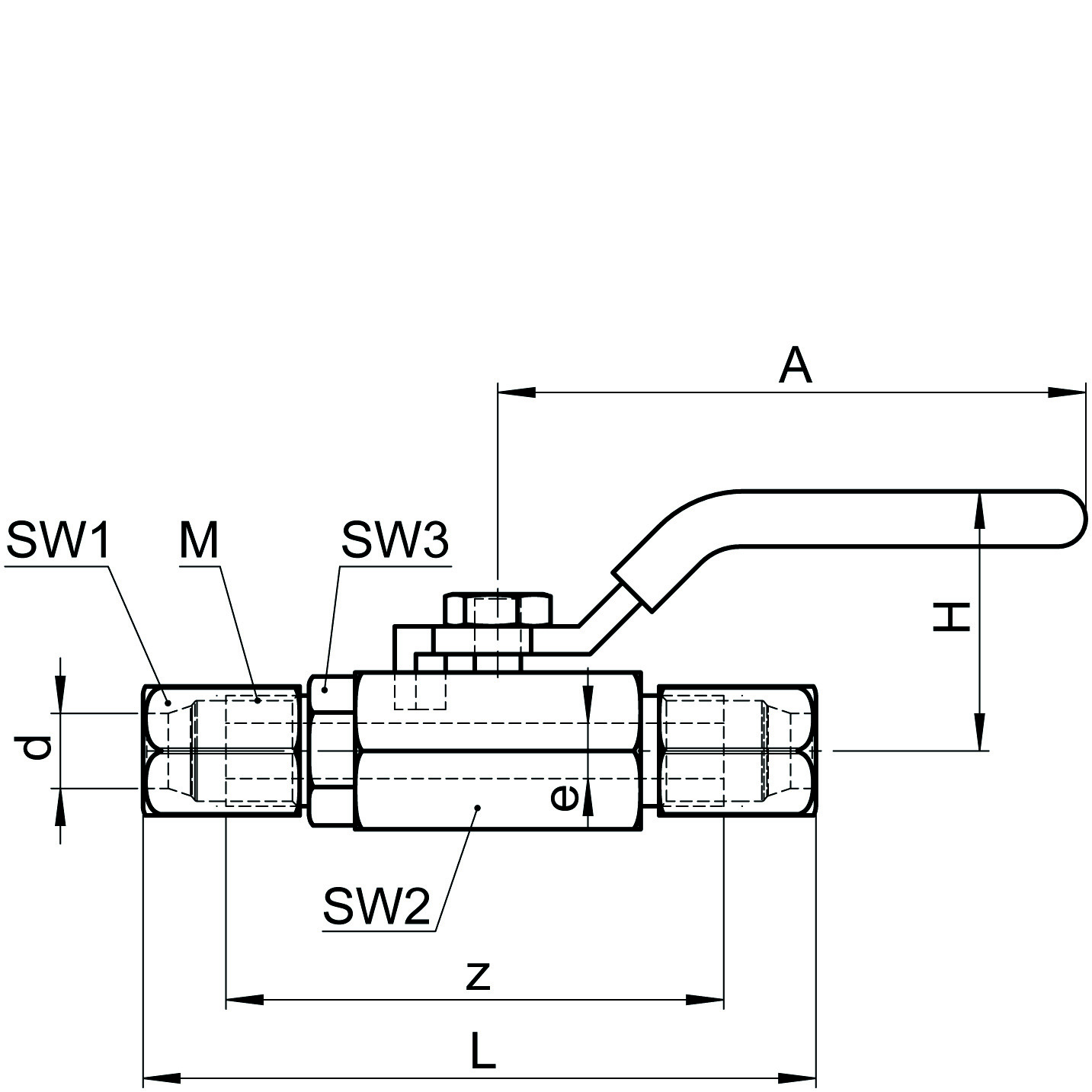
Hjem / Produkter / Ventiler / Instrumentventiler / SO BV 58D21
Syrefast Kugleventil
Ups! We kunne ikke finde din formular.
E-mailadresse
Kodeord
Husk mig