SO NV 41A40

Messing Reguleringsventil

  • Messing Reguleringsventil
Vis alle mål +
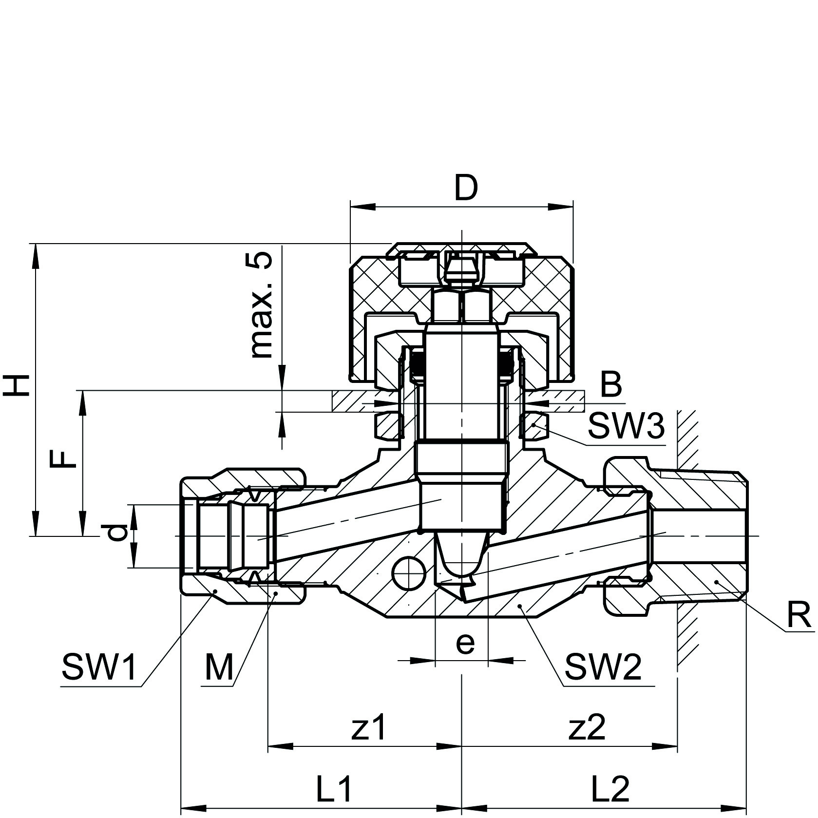
Artikel nummer VVS-nummer dRbarMSW1/SW2/SW3L1/L2HFz1/z2eFiler
0280300060 41/85010 x 112/14/1930,5/33471923/26,53.4
0280300065 41/45010 x 112/14/1930,5/37471923/27,53.4
0280300068 43/85010 x 112/14/1930,5/36471923/263.4
0280300082 51/85010 x 112/14/1930,5/33471923/26,54
0280300084 51/45010 x 112/14/1930,5/37471923/27,54
0280300100 61/85010 x 112/14/1930,5/33471923,5/26,54
0280300110 61/45010 x 112/14/1930,5/37471923/27,54
0280300120 63/85010 x 112/14/1930,5/36471923,5/264
0280300135 6.351/85010 x 112/14/1930,5/3341.51923/26,53.7
0280300140 6.351/45010 x 112/14/1930,5/3741.51923/27,53.7
0280300145 6.353/85010 x 112/14/1930,5/3641.51923/263.7
0280300160 81/85012 x 114/14/1931/33471923/26,55
0280300170 81/45012 x 114/14/1931/37471923,5/27,55
0280300180 83/85012 x 114/14/1931/37471923,5/275
0280300230 9.521/45014 x 117/18/2438/4854.521.527,5/31,59.2
0280300235 9.523/85014 x 117/18/2438/4154.521.527,5/319.2
0280300240 9.521/25014 x 117/18/2438/4254.521.527,5/299.2
0280300270 101/45014 x 117/18/2438/4154.521.527,5/31,56.5
0280300280 103/85014 x 117/18/2438/4154.521.527,5/316.5
0280300285 101/25014 x 117/18/2438/4454.521.527,5/316.5
0280300380 121/45016 x 119/18/2443,5/4656.523.532/36,58
0280300390 123/85016 x 119/18/2443,5/4656.523.532/368
0280300400 121/25016 x 119/18/2443,5/4956.523.532/368
0280300432 12.73/85020 x 1,524/22/2746/486627.533,5/3822.3
0280300434 12.71/25020 x 1,524/22/2746/506627.533,5/3722.3
0280300504 141/25020 x 1,524/22/2746/506627.533,5/3710
0280300534 151/25020 x 1,524/22/2746/506627.533,5/3710
Datablad