SO NV 51A21EB

Syrefast Reguleringsventil, konisk udv. gevind

  • Syrefast Reguleringsventil med udvendigt gevind
  • Vinkel 90°
  • SS 316 T i , 1.4571
  • Skruegevind
  • Med reduceret klemmering
  • R = Konisk udvendigt gevind
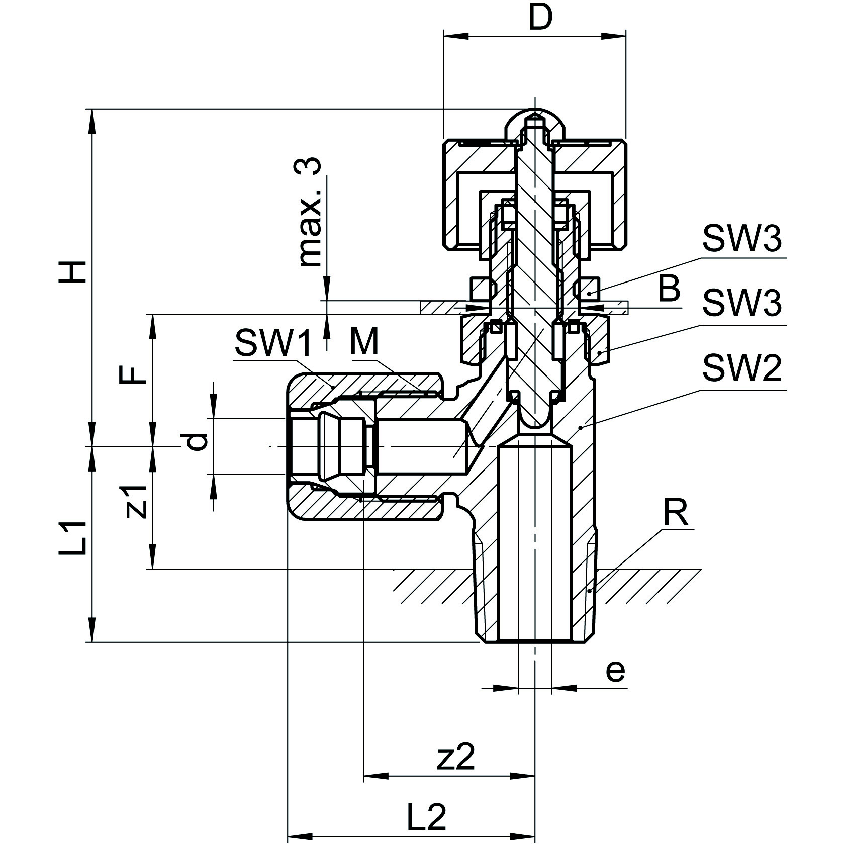
Vis alle mål +
Artikel nummer VVS-nummer dRebarMSW1/SW2SW3z1/z2L1/L2H/FFiler
0680021060 41/83.510010 x 112/14149,5/1714,5/2536/14,5
0680021082 51/83.510010 x 112/14149,5/1714,5/2536/14,5
0680021100 61/83.510010 x 112/14149,5/1714,5/2536/14,5
0680021110 61/4510012 x 114/141413,5/1921,5/2736/14,5
0680021135 6.351/83.54010 x 112/14149,5/1714,5/2536/14,5
0680021170 81/43.510012 x 114/141413,5/1821,5/2736/14,5
0680021235 9.523/8710014 x 117/222214/23,522/34,551/21,5
0680021280 103/876414 x 117/222214/2322/3551/21,5
0680021390 123/876416 x 119/222216/2324/3651/21,5
Datablad