SO NV 51A30E

Syrefast Reguleringsventil 90°, cylindrisk indv. gevind

  • Syrefast Regulerings ventil med overgangsmuffe
  • Ventil 90°
  • G = Cylindrisk indvendigt gevind
  • AISI316Ti, 1.4571
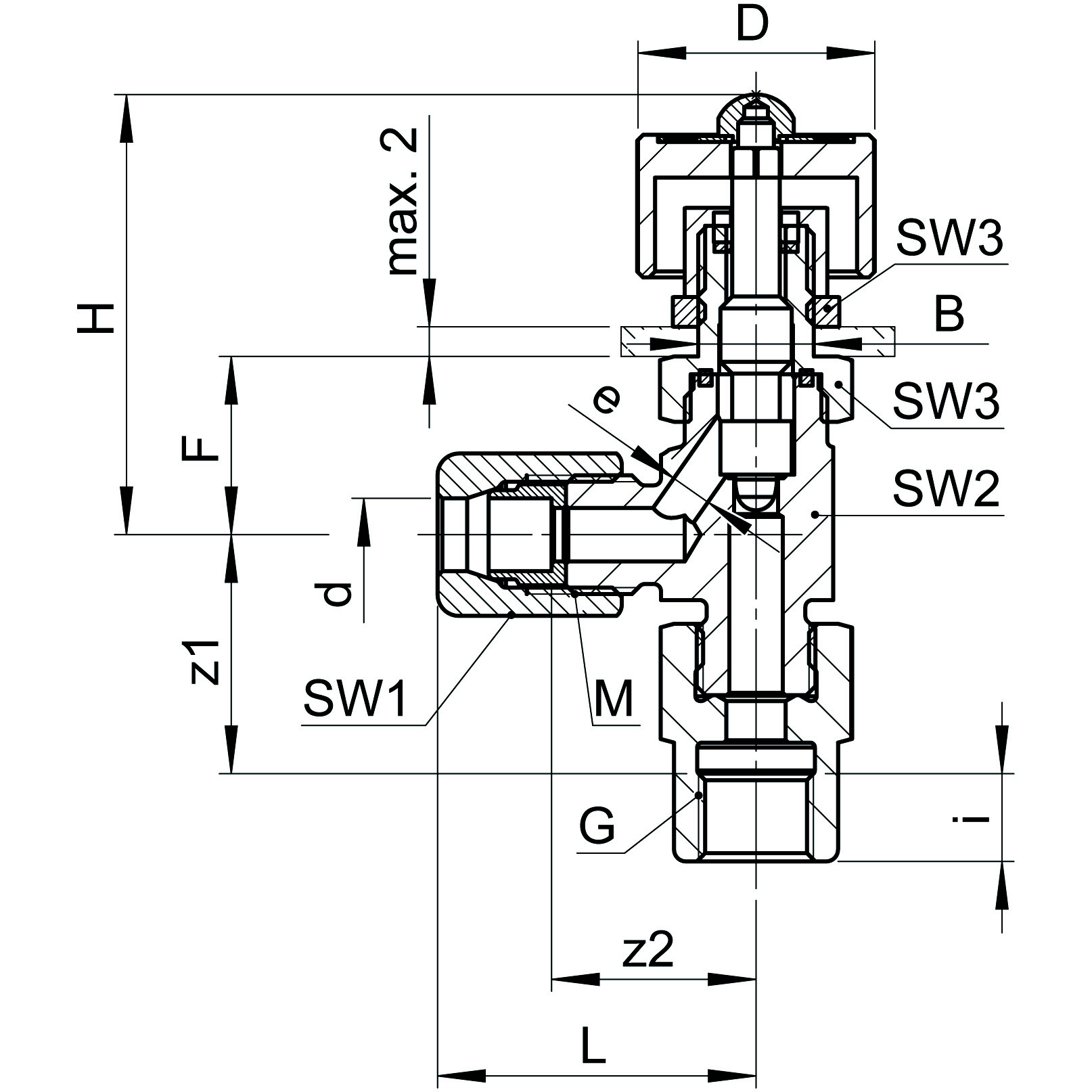
Vis alle mål +
Artikel nummer VVS-nummer dGbareMSW1/SW2/SW3Liz1/z2H/FFiler
0680022060 41/81003.510 x 112/14/14257.520/1737/14,5
0680022082 51/81003.510 x 112/14/14257.520/1737/14,5
0680022100 61/81003.510 x 112/14/1427.57.520/1737/14,5
0680022135 6.351/81003.510 x 112/14/14257.520/1737/14,5
0680022170 81/4646.514 x 117/22/2231823/2451/22
0680022180 83/8646.514 x 117/22/2235923/2451/22
0680022230 9.521/464714 x 117/22/2234.5823/2451/22
0680022235 9.523/864714 x 117/22/2234.5923/2451/22
0680022270 101/464714 x 117/22/2235823/2451/22
0680022280 103/864714 x 117/22/2235923/2451/22
0680022400 121/264716 x 119/22/22369.525,5/2451/21,5
Datablad