SO NV 51A40

Syrefast Reguleringsventil m. konisk udv. gevind

  • Syrefast Reguleringsventil
  • Med overgangsnippel
  • AISI316Ti, 1.4571
  • Med reduceret klemmering
  • R = Konisk udvendigt gevind
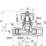
Vis alle mål +
Artikel nummer VVS-nummer dRkvbarMSW1/SW2/SW3L1/L2z1/z2HFFiler
0680014060 41/8310010 x 112/14/1425/2717/20,53714.5
0680014065 41/4310010 x 112/14/1425/3117/21,53714.5
0680014082 51/83.210010 x 112714/1425/2717/20,53714.5
0680014084 51/43.210010 x 112/14/1425/3117/21,53714.5
0680014100 61/83.510010 x 112/14/1425/2717/20,53714.5
0680014110 61/43.510010 x 112/14/1425/3117/21,53714.5
0680014135 6.351/83.510010 x 112/14/1425/2717/20,53714.5
0680014140 6.351/43.510010 x 112/14/1425/3117/213714.5
0680014160 81/83.510012 x 114/14/1427/28,518,5/223714.5
0680014170 81/43.510012 x 114/14/1427/32,518,5/233714.5
0680014180 83/83.510012 x 114/14/1427/32,518,5/22,53714.5
0680014185 81/23.510012 x 114/14/1427/36,518,5/23,53714.5
0680014230 9.521/410.56414 x 117/22/2234,5/37,523,5/27,55121
0680014235 9.523/810.56414 x 117/22/2234,5/37,523,5/27,55121
0680014240 9.521/210.56414 x 117/22/2234,5/38,523,5/25,55121
0680014270 101/410.56414 x 117/22/2235/37,523,5/285121.5
0680014280 103/810.56414 x 117/22/2235/37,523,5/27,55121.5
0680014285 101/210.56414 x 117/22/2235/38,523,5/25,55121.5
0680014380 121/412.56416 x 119/22/2236/38,523,5/295121
0680014390 123/812.56416 x 119/22/2236/37,523,5/27,55121
0680014400 121/212.56416 x 119/22/2236/41,523,5/28,55121
0680014434 12.71/212.56420 x 1,524/24/2239,5/43,526/30,55222
0680014534 151/212.56420 x 1,524/24/2239,5/43,526/30,55222
Datablad